欢迎访问山东锐特斯机械科技有限公司官网!
网站首页
产品展示
选型应用
新闻中心
技术资料
关于我们
联系我们
旋转接头通用系列
RTH型旋转接头
RTQ型旋转接头
H型旋转接头
Q型旋转接头
D型旋转接头
MP型多通路旋转接头
JL型液压转接
高速旋转接头
高压旋转接头
液压旋转接头
旋转接头替代进口系列
旋转接头专用系列
CFB锅炉泄渣系统专用旋转接头
大型滚筒烘干机专用旋转接头
建材压延专用旋转接头
冶金连铸机专用旋转接头
步进梁式加热炉专用球体旋转接头
冶金转炉大包回转台专用旋转接头
钢厂高炉泥炮专用旋转接头
往复摆动旋转接头(鹤管回转接头)
金属压延卷取机专用旋转接头
铝板铸轧机专用旋转接头
造纸烘缸专用旋转接头及虹吸器
轮胎动平衡试验机专用旋转接头
橡塑挤出机旁压辊专用旋转接头
双锥真空干燥机专用旋转接头
流通兼动力传输专用旋转接头
工程机械专用回转接头
机床主轴冷却专用旋转接头
轨交高铁专用旋转接头
3D玻璃屏幕抛光机雕刻机旋转接头
风力发电机专用旋转接头
高压洗车机专用旋转接头
塔吊喷淋专用旋转接头
非标定制旋转接头
其它产品
热门资讯
旋转接头的装配工作
可定位式旋转接头的结构分析
使用旋转接头传输燃料气体的注意事项
旋转接头在工程机械中的应用
旋转接头在工程机械中的应用
汽车清洗设备中旋转接头的结构
热门产品推荐
TW型旋转接头替代台湾杨光2
大型滚筒干燥设备专用旋转接头
金属压延卷取机专用旋转接头
高温导热油旋转接头
多通路液压旋转接头
高压洗车机专用旋转接头
RTH旋转接头
DD-XF/GF旋转接头
QS-G(20-50)型旋转接头
TW型旋转接头替代台湾杨光
钢厂高炉泥炮专用旋转接头
当前位置: 首页 >
产品展示
>
旋转接头专用系列
>
钢厂高炉泥炮专用旋转接头
>
钢厂高炉泥炮专用旋转接头
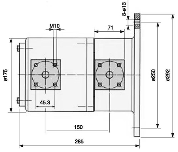
高炉泥炮属于冶炼行业必备的炉前设备,其作用是能够迅速准确堵塞放铁后的出铁口,使高炉快速进入下一循环的作业,我们说只要有介质流通的地方就会有旋转接头的连接,在高炉泥泡设备中,所用到的旋转接头为非标旋转接头。
产品参数
高炉泥炮液压旋转接头适用条件:
高压力:325bar
高温度:230℃
高转速:15r/min
进油口:2-SAEl/2”
适用流体:液压油、水、乙二醇
上一篇:没有了
下一篇:没有了
快速导航
RTH型旋转接头
RTQ型旋转接头
H型旋转接头
Q型旋转接头
D型旋转接头
MP型多通路旋转接头
JL型液压转接
高速旋转接头
高压旋转接头
液压旋转接头
联系我们
地址:滕州市西环工业园区
销售一部:0632-5881555 183 6928 8199
销售二部:0632-5881777 138 6949 5989
关注我们
版权所有:山东锐特斯机械科技有限公司 备案号:
鲁ICP备2023004876号-2
技术支持:滕州美橙网络 优化支持:邦赢网络